Mga industriya
Kagamitan sa bentilasyon at kasangkapan sa sambahayan
At Kagamitan sa bentilasyon
-Axial Flow Fans
-Centrifugal fans
-Roof ventilator
At Mga gamit sa sambahayan:
-Washing machine
-Air Purifier
-Cooling Fans
-Refrigerator $
Mga kaugnay na produkto
×
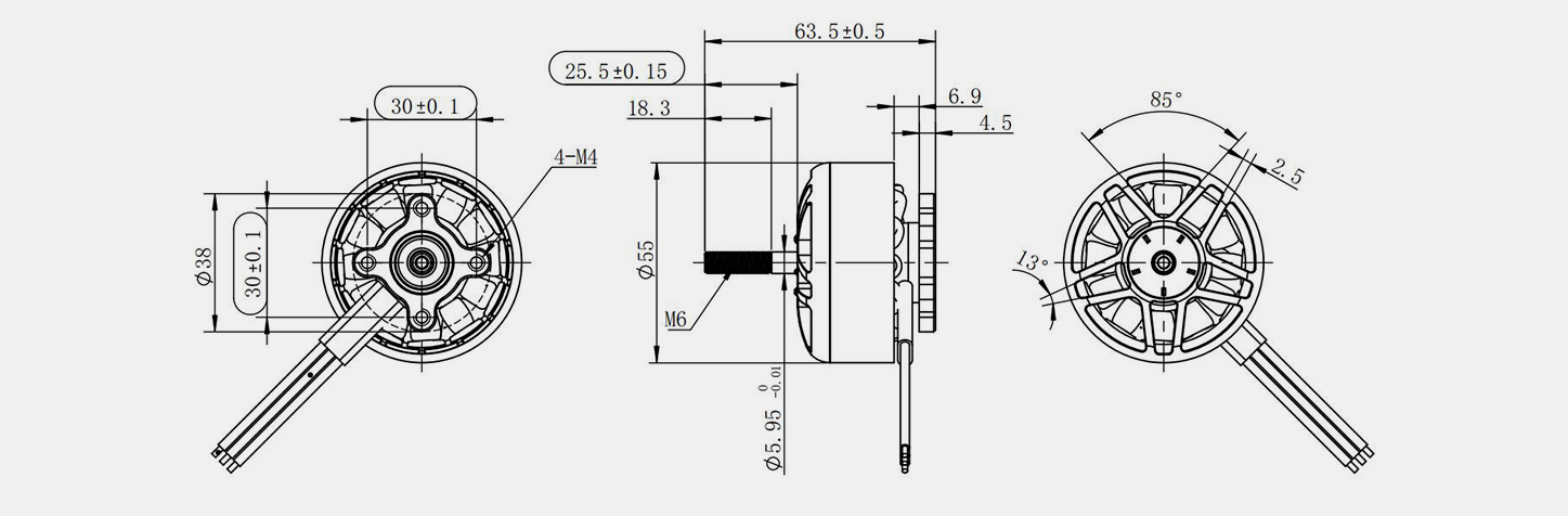
| Electric spec. | |||||||||||||||||||||||||
| Max. P (W) | Boltahe (V) | Max. I. (A) | KV | Walang-load kasalukuyang (A) | Paglaban (MΩ) | Mga Poles | Malabo ang motor. (mm) | Stator Dim. (mm) | Pag -mount (mm) | N.W. (g) | Prop. (pulgada) | ||||||||||||||
| 1052 | 25 ~ 33.6 | 45 | 350 | 1.5 | 45 | 14 | φ55*38 | φ47*15 | M3-30*30 | 277 | 13 " | ||||||||||||||
| Data ng pagsubok sa thrust | |||||||||||||||||||||||||
| Propeller | KV Halaga | Throttle (%) | U (V) | I (A) | N (Rpm) | Pout (W) | Pin (W) | Kahusayan (G/w) | |||||||||||||||||
| GF1310*3 | 350kv | 30 | 25.13 | 0.304 | 1737.5 | 285 | 7.6 | 4.959 | |||||||||||||||||
| 35 | 25.1 | 1.128 | 2188.7 | 346.9 | 28.3 | 4.644 | |||||||||||||||||||
| 40 | 25.07 | 2.15 | 2586.8 | 395.4 | 53.9 | 4.6 | |||||||||||||||||||
| 45 | 25.01 | 3.905 | 3072.1 | 444.1 | 97.7 | 4.814 | |||||||||||||||||||
| 50 | 24.96 | 5.722 | 3427.8 | 469.5 | 142.8 | 5.128 | |||||||||||||||||||
| 55 | 24.9 | 7.707 | 3734.9 | 484.3 | 191.9 | 5.495 | |||||||||||||||||||
| 60 | 24.82 | 10.228 | 4070.8 | 494.1 | 253.9 | 5.973 | |||||||||||||||||||
| 65 | 24.7 | 13.866 | 4458 | 491.4 | 342.5 | 6.798 | |||||||||||||||||||
| 70 | 24.59 | 17.485 | 4785.6 | 481.2 | 429.9 | 7.62 | |||||||||||||||||||
| 75 | 24.45 | 21.663 | 5093.5 | 460.1 | 529.7 | 8.72 | |||||||||||||||||||
| 80 | 24.3 | 26.413 | 5384.7 | 428.8 | 641.8 | 10.186 | |||||||||||||||||||
| 85 | 24.13 | 31.418 | 5661.1 | 393.6 | 758.3 | 11.977 | |||||||||||||||||||
| 90 | 23.96 | 36.765 | 5909.1 | 352.2 | 880.9 | 14.277 | |||||||||||||||||||
| 95 | 23.75 | 42.922 | 6131.1 | 300.8 | 1019.5 | 17.8 | |||||||||||||||||||
| 100 | 23.7 | 44.411 | 6217.5 | 292.6 | 1052.3 | 18.591 | |||||||||||||||||||
6S 320KV 350KV 380KV DRONE MOTORS LN4715 1.5kg lakas ng tulak
Air Purifier 24VDC 40W Fan Motor Ceiling Fan Motor WO60 Series
×
Dual boltahe 230VAC/12VDC sa isang drive para sa Remote Area Solar Panel Power Supply System W70 Series na may Metal Shell
Mga Tampok ng Produkto:
Dual na suporta ng boltahe para sa nababaluktot na mga mapagkukunan ng kuryente
Dinisenyo gamit ang isang matibay na metal shell para sa pinahusay na proteksyon
Tamang-tama para sa mga sistemang pinapagana ng solar
Maaasahang pagganap sa mga liblib na lugar $
Dual boltahe 230VAC/12VDC sa isang drive para sa Remote Area Solar Panel Power Supply System W70 Series na may Metal Shell
